
扁平线绕组,实现大电流低直流电阻
磁屏蔽结构,抗电磁干扰性能强
轻薄正方形设计,适合高密度贴装
较大电感值,耐极大电流低磁损耗,低 ERS,小寄生电容
温度上升电流和饱和电流受环境的影响较小
工作温度:-55℃~155℃.
安装形式为表面贴装
主要应用于大电流的工作环境,如充电桩、工业控制等
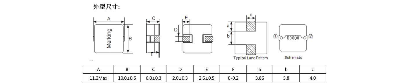
外观尺寸Outline dimension
外观参数Exterior size / 单位:mm
电气特性Electrical / 单位:mm
型号/NO
L(0A)
DCR(mΩ)
Irms
(Amperes)
Isat
(Amperes)
PDF
注释
■ K表示电感值的公差为±10%,M表示电感值的公差为±20%
■ K said inductance tolerance is ±10%, M said inductance tolerance is ± 20%
■ 所有数据基于环境温度25℃条件下测试
■ All data is based on testing at an ambient temperature of 25 ℃
■ 本页面未能录入全部或最新的数据,请您在订购前向本公司咨询精准参数及样品。
■ We were unable to input all or the latest data on this page. Please consult our company for accurate parameters and samples before placing an order
■ 测试条件:100KHZ/0.1V
■ Test conditions: 100KHZ/0.1V
提醒
■ 保存条件:温度 5~40°C,相对湿度小于等于 70%。
■ Storage conditions: Temperature between 5-40 ° C, relative humidity less than or equal to 70%.
■ 产品储存期不建议超过 12 个月
■ The storage period of the product is not recommended to exceed 12 months
客服QQ
服务电话
返回顶部